0 UAH
Зробити замовлення
Очікуємо
- Марка: BOSCH
- Модель: 0 986 479 463-BOSCH
- Артикул: 0 986 479 463
- Наявність: В наявності
-
0 UAH
Основні характеристики
Всі характеристики
Доставка
Принимаем оплату online
Доставка и оплата
В тот же день при заказе до 16:00
Условия гарантии
Весь товар сертифицирован
- Характеристики
- Оплата частями та кредитування
- Застосовність до авто
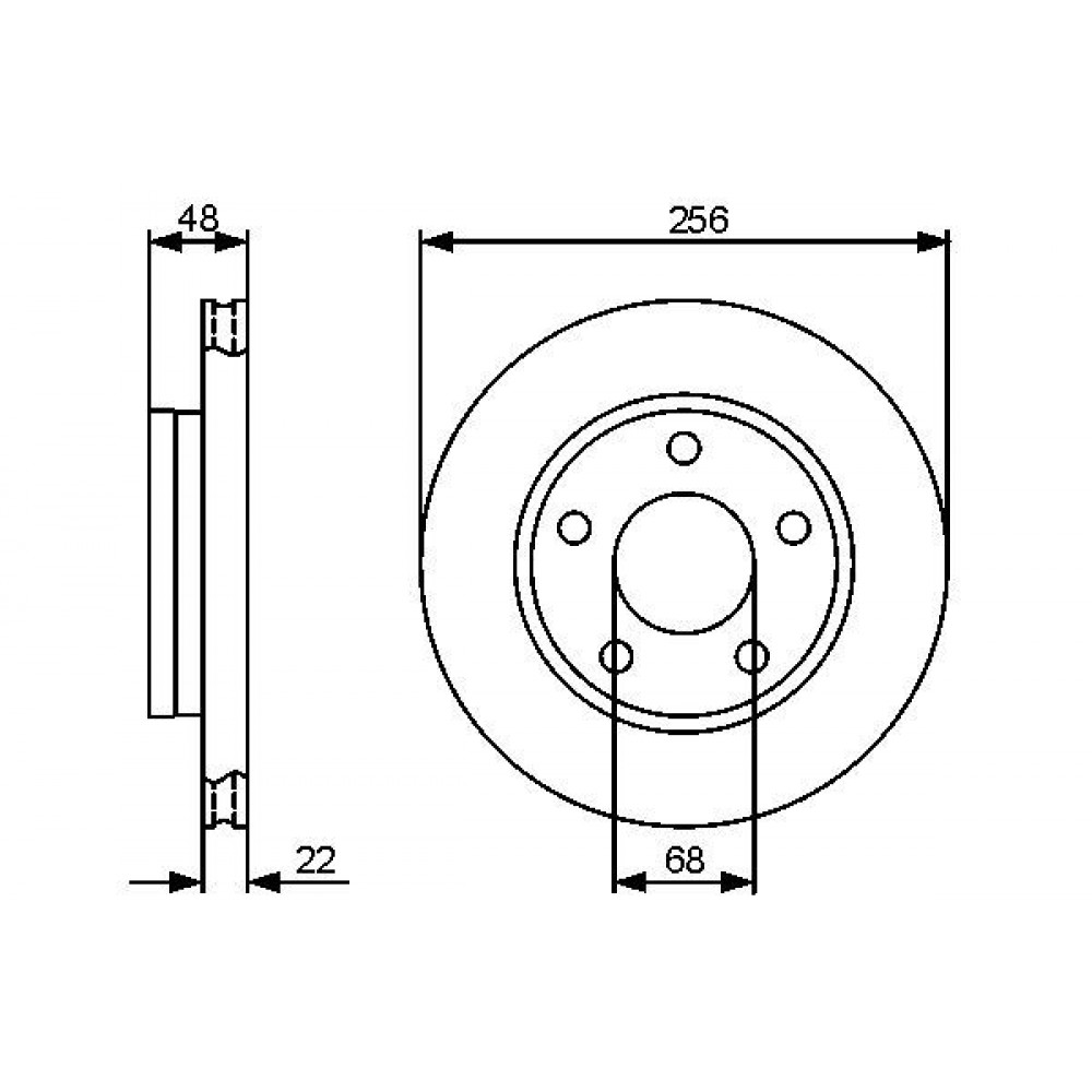
Основні характеристики
Ø фаски [мм]
112 мм
Висота [мм]
47,8 мм
Діаметр отвору до [мм]
15,5 мм
Діаметр центрування [мм]
68 мм
Зовнішній діаметр [мм]
256 мм
Кількість отворів
5
Мінімальна товщина [мм]
20 мм
Обробка
Високовуглецевий
Поверхня
з покриттям
Тип гальмівного диска
вентильований
Товщина гальмівного диска (мм)
22 мм
Застосовність до авто
-
Название Двигатель, см3 Мощность Кузов Год выпуска AUDI A4 B5 Avant (8D5) 1.8 quattro 1.8 л. 115 л.с. бензин AFY 1995 - 2001 AUDI A4 B5 Avant (8D5) 1.8 quattro 1.8 л. 125 л.с. бензин ADR, APT, ARG 1996 - 2001 AUDI A4 B5 Avant (8D5) 1.8 T quattro 1.8 л. 150 л.с. бензин AEB, ANB, APU, ARK, ATW, AWT 1996 - 2001 AUDI A4 B5 Avant (8D5) 1.8 T quattro 1.8 л. 180 л.с. бензин AJL 1997 - 2001 AUDI A4 B5 Avant (8D5) 1.9 TDI quattro 1.9 л. 110 л.с. Дизель AFN, AVG 1996 - 2001 AUDI A4 B5 Avant (8D5) 1.9 TDI quattro 1.9 л. 115 л.с. Дизель ATJ 2000 - 2001 AUDI A4 B5 Avant (8D5) 2.4 quattro 2.4 л. 163 л.с. бензин AJG, APZ 1997 - 2001 AUDI A4 B5 Avant (8D5) 2.4 quattro 2.4 л. 165 л.с. бензин AGA, ALF, AML, APS, ARJ 1997 - 2001 AUDI A4 B5 Avant (8D5) 2.5 TDI quattro 2.5 л. 150 л.с. Дизель AFB, AKN 1997 - 2001 AUDI A4 B5 Avant (8D5) 2.8 quattro 2.8 л. 193 л.с. бензин ACK, AHA, ALG, AMX, APR, AQD, ATQ 1996 - 2001 AUDI A4 B5 Avant (8D5) S4 quattro 2.7 л. 265 л.с. бензин AGB, AZB 1997 - 2001 AUDI A4 B5 (8D2) 1.8 quattro 1.8 л. 125 л.с. бензин ADR, APT, ARG 1995 - 2000 AUDI A4 B5 (8D2) 1.8 quattro 1.8 л. 115 л.с. бензин AFY 1995 - 2000 AUDI A4 B5 (8D2) 1.8 T quattro 1.8 л. 150 л.с. бензин AEB, ANB, APU, ARK, ATW, AWT 1995 - 2000 AUDI A4 B5 (8D2) 1.8 T quattro 1.8 л. 180 л.с. бензин AJL 1997 - 2000 AUDI A4 B5 (8D2) 1.9 TDI quattro 1.9 л. 110 л.с. Дизель AFN, AVG 1996 - 2000 AUDI A4 B5 (8D2) 1.9 TDI quattro 1.9 л. 116 л.с. Дизель AJM, ATJ 2000 - 2000 AUDI A4 B5 (8D2) 2.4 quattro 2.4 л. 163 л.с. бензин AJG, APZ 1997 - 2000 AUDI A4 B5 (8D2) 2.4 quattro 2.4 л. 165 л.с. бензин AGA, ALF, AML, APS, ARJ 1997 - 2000 AUDI A4 B5 (8D2) 2.5 TDI quattro 2.5 л. 150 л.с. Дизель AFB, AKN 1997 - 2000 AUDI A4 B5 (8D2) 2.8 quattro 2.8 л. 193 л.с. бензин ACK, AHA, ALG, AMX, APR, AQD, ATQ 1996 - 2001 AUDI A4 B5 (8D2) 2.8 quattro 2.8 л. 190 л.с. бензин ATX 1999 - 2000 AUDI A4 B5 (8D2) S4 quattro 2.7 л. 265 л.с. бензин AGB, AZB 1997 - 2001 -
Название Двигатель, см3 Мощность Кузов Год выпуска VOLKSWAGEN PASSAT B5.5 (3B3) 1.9 TDI 4motion 1.9 л. 130 л.с. Дизель AVF 2000 - 2005 VOLKSWAGEN PASSAT B5.5 (3B3) 2.0 4motion 2.0 л. 115 л.с. бензин AZM 2000 - 2005 VOLKSWAGEN PASSAT B5.5 (3B3) 2.3 V5 4motion 2.3 л. 170 л.с. бензин AZX 2000 - 2005 VOLKSWAGEN PASSAT B5.5 (3B3) 2.5 TDI 4motion 2.5 л. 150 л.с. Дизель AFB, AKN 2000 - 2005 VOLKSWAGEN PASSAT B5.5 (3B3) 2.5 TDI 4motion 2.5 л. 180 л.с. Дизель BAU, BDH 2003 - 2005 VOLKSWAGEN PASSAT B5.5 (3B3) 2.8 4motion 2.8 л. 193 л.с. бензин AMX, ATQ 2000 - 2005 VOLKSWAGEN PASSAT B5.5 (3B3) 2.8 4motion 2.8 л. 190 л.с. бензин BBG 2000 - 2005 VOLKSWAGEN PASSAT B5.5 (3B3) 4.0 W8 4motion 4.0 л. 275 л.с. бензин BDN 2001 - 2004 VOLKSWAGEN PASSAT B5.5 Variant (3B6) 1.9 TDI 4motion 1.9 л. 130 л.с. Дизель AVF 2000 - 2005 VOLKSWAGEN PASSAT B5.5 Variant (3B6) 2.0 4motion 2.0 л. 115 л.с. бензин AZM 2000 - 2005 VOLKSWAGEN PASSAT B5.5 Variant (3B6) 2.3 VR5 4motion 2.3 л. 170 л.с. бензин AZX 2000 - 2005 VOLKSWAGEN PASSAT B5.5 Variant (3B6) 2.5 TDI 4motion 2.5 л. 150 л.с. Дизель AKN 2000 - 2005 VOLKSWAGEN PASSAT B5.5 Variant (3B6) 2.5 TDI 4motion 2.5 л. 180 л.с. Дизель BAU, BDH 2003 - 2005 VOLKSWAGEN PASSAT B5.5 Variant (3B6) 2.8 4motion 2.8 л. 193 л.с. бензин AMX, ATQ 2000 - 2005 VOLKSWAGEN PASSAT B5.5 Variant (3B6) 2.8 4motion 2.8 л. 190 л.с. бензин BBG 2000 - 2005 VOLKSWAGEN PASSAT B5.5 Variant (3B6) 4.0 W8 4motion 4.0 л. 275 л.с. бензин BDN 2001 - 2004
Немає питань про даний товар, станьте першим і задайте своє питання.